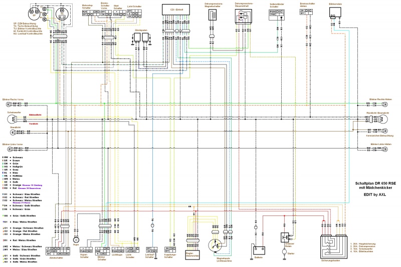
Ich hatte mich im Zuge meines neu gebauten Kabelgedöhns eines Abends mal hingesetzt und den Schaltplan leserlich aufgemalt.
Die Kabelführung weicht also dem des Originalplans etwas ab. ist aber an den richtigen Stellen angeschlossen
diente nur der besseren verfolgbarkeit der Strippen.
Die Farben wichen an ein oder zwei Stellen, denen in meinem schlecht leserlichen Plans ab. Ich habe die Kabelfarben direkt an meiner RSE abgenommen.
Ich übernehme also keine Gewähr auf absolute Richtigkeit oder Kompatibilität zu euren Möhren.
Nachdem ich ihn schon einige male versendet habe, gib ich den Plan an alle frei.
Ich hoffe ich kann eine Zipfile hochladen, der Plan hat schlappe 17mb.
Edit Dennis: BMP ist ein unkomprimiertes Format. Ich habe mal ein JPEG Bild drauf gemacht. Das ist nur noch 1 MB groß und kann auch auf Handys usw. angeschaut werden, damit wird mein Webspace ein wenig geschont. @AXL: Da hast Du ja richtig viel Arbeit reingesteckt! Super, das werde ich auch noch unter Anleitungen veröffentlichen.
am besten begutachten kann man ihn mit dem Windowseigenen Paint Programm, mit dem er auch erstellt wurde.
Greetz






