Boah, ich grab den aus, weil der Titel gut passt, und hier bis jetzt nix gescheits aus dem Thema geworden ist
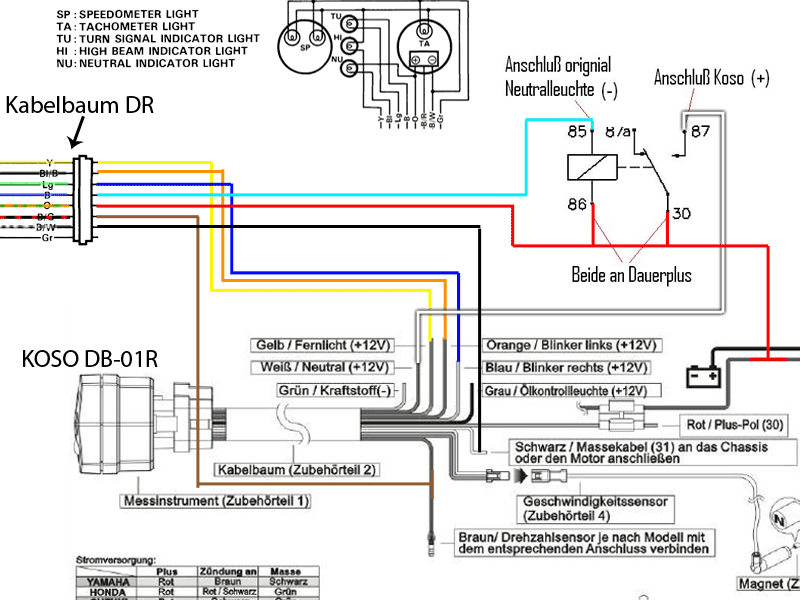
Also Strom, Neutral und Highbeam gehen bei mir schon mal mit diesem Tacho.
Blinkerkabel gibs beim Koso ja zwei (
orange und
blau für links und recht). Die DR gibt mir aber nur ein
grünes Kabel für die Blinkanzeigeleuchte.
Also kurzerhand einfach beide an grün angeschlossen. Links blinken geht ganz normal, bei rechts blinken blinkt der ganze Tacho, indem ALLE Lichter (inkl. Display) an und ausgehen. FAIL
Dann nur das orange mit grün verbunden -> selbes Spektakel.
Dann nur das blaue mit grün verbunden -> selbes Spektakel.
Was muss ich da anders machen?
In den originalen Drehzahlmesser gehen 3 Kabel rein, der Koso hat dafür nur ein braunes Kabel. Wie ist das zu bewerkstelligen?
Danke schonmal
